Способы измерения высоких напряжений.

Способы измерения высоких напряжений.

Сообщение gt-e » 01 фев 2010, 20:09

Высокое напряжение недостаточно получить, его необходимо измерять. Методы измерений высоких напряжений несколько отличаются от традиционных, применяемых для низких напряжений.
Основные способы измерения высоких напряжений:
1. Измерительные разрядники
2. Электростатические вольтметры
3. Измерение высокого напряжения с использованием индукции зарядов
4. Измерение с помощью делителей напряжения
5. Измерение импульсных напряжений

1. Измерительные разрядники

Такой способ измерений имеет очевидные недостатки, не позволяет производить измерения непрерывно. Условия, при которых достигается достаточно точная воспроизводимость пробоя, определяется, в первую очередь, формой электродов. Необходимо стремится к однородному или квазиоднородному полю в разрядном промежутке. Примером такого измерительного разрядника может служить шаровой разрядник, у которого разрядный промежуток много меньше диаметра шаров. Шаровые разрядники достаточно хорошо описаны в литературе. Для них можно найти таблицы пробивных значений, различные поправочные коэффициенты.

2. Электростатические вольтметры

Если между двумя металлическими электродами существует электрическое поле, то на электроды действует сила притяжения. Эта сила создает давление на поверхность электродов. Для плоского конденсатора эта сила пропорциональна квадрату напряженности электрического поля. Следовательно, измеряя эту силу, можно измерять высокое напряжение. Такие измерители называются электростатическими вольтметрами. Известны примеры изготовления электростатических вольтметров на напряжение до 1000 кВ с точностью до 0,1%. На напряжения до 100 кВ электростатические вольтметры производятся серийно. Примером может служить киловольтметр С196 предназначенный для измерения постоянного и переменного напряжения до 30 кВ при основной погрешности ± 1.0% от конечного значения диапазона измерений.

3. Измерение высокого напряжения с использованием индукции зарядов
4. Измерение высоких напряжений с помощью делителей напряжения

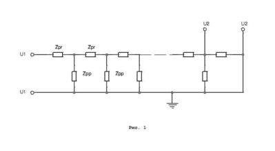
Делители для измерения высоких напряжений бывают резистивными, емкостными и комбинированными. Часто, они состоят из большого числа однотипных элементов. Общая схема замещения таких делителей представлена на рис.1

Ris_1_delit.jpg


Она состоит из n числа продольно включенных элементов Zpr. Продольные элементы делителя Zpr, обычно, резисторы или (и) конденсаторы, к которым приложено высокое напряжение U1. В схеме учтены и паразитные параметры продольных элементов. В схеме равномерно распределены поперечные сопротивления Zpp, учитывающие, например, распределенную емкость делителя на землю и другие элементы конкретной конструкции делителя.
Выходное напряжение U2 много меньше входного напряжения U1 и снимается с последнего элемента этой схемы.
Коэффициент деления такого делителя определяется числом звеньев делителя.
В общем случае, коэффициент деления при измерениях N = U2/U1 не равен числу звеньев делителя n, так как в схеме могут присутствовать другие элементы измерительной системы.
Суммарное поперечное сопротивление такого делителя можно рассчитать по формуле
Fpp_50.jpg
Fpp_50.jpg (4.3 Кб) Просмотров: 12190

Суммарное продольное сопротивление такого делителя можно рассчитать по формуле
Fpr_53.jpg
Fpr_53.jpg (3.52 Кб) Просмотров: 12190

Но, приведенные формулы справедливы, если все звенья высоковольтного делителя напряжения одинаковы.
Очень часто, конструктивное исполнение высоковольтного плеча отличается от конструктивного исполнения низковольтного плеча. В результате расчет усложняется. Для расчета таких делителей удобно использовать программы для моделирования электронных схем, например, LTspice (SwCAD) - свободно распространяемую программу Linear Technology http://www.linear.com/designtools/software/ltspice.jsp.

При использовании делителей, если конструкция может позволить, целесообразно рассматривать не только стандартный вариант, когда измерительный резистор находится в низковольтной части. Возможен вариант, когда измерительный резистор делителя целесообразно размещать в высоковольтной части делителя напряжения для получения оптимальной частотной характеристики.

4.1 Омический делитель напряжения

Схема замещения омического делителя для измерения для измерения постоянного, переменного и импульсного напряжений показана на рис.2

4.2 Емкостный делитель напряжения

5. Измерение импульсных напряжений
gt-e
Администратор
 
Сообщения: 138
Зарегистрирован: 18 янв 2010, 02:26

Re: Способы измерения высоких напряжений.

Сообщение gt-e » 09 авг 2010, 20:05

Дополнено 09.08.2010.
gt-e
Администратор
 
Сообщения: 138
Зарегистрирован: 18 янв 2010, 02:26

Re: Способы измерения высоких напряжений.

Сообщение Djhjy » 07 окт 2010, 05:47

Следует отметить. Методов измерения высоких напряжений множество. Целесообразность применения того или иного метода определяется решаемыми задачами. Причем, определяющими факторами при выборе метода являются экономические факторы и значение методической погрешности.
Djhjy
 
Сообщения: 19
Зарегистрирован: 05 июн 2010, 16:42

Re: Способы измерения высоких напряжений.

Сообщение gt-e » 07 окт 2010, 18:27

Djhjy писал(а):Следует отметить. Методов измерения высоких напряжений множество. Целесообразность применения того или иного метода определяется решаемыми задачами. Причем, определяющими факторами при выборе метода являются экономические факторы и значение методической погрешности.

Полностью согласен, но пока даже по верхушкам пробежать времени не хватает.
gt-e
Администратор
 
Сообщения: 138
Зарегистрирован: 18 янв 2010, 02:26


Вернуться в Техника высоких напряжений

Кто сейчас на конференции

Сейчас этот форум просматривают: нет зарегистрированных пользователей и гости: 1

cron
Яндекс.Метрика